+38 (067) 610-18-71 по всій Україні
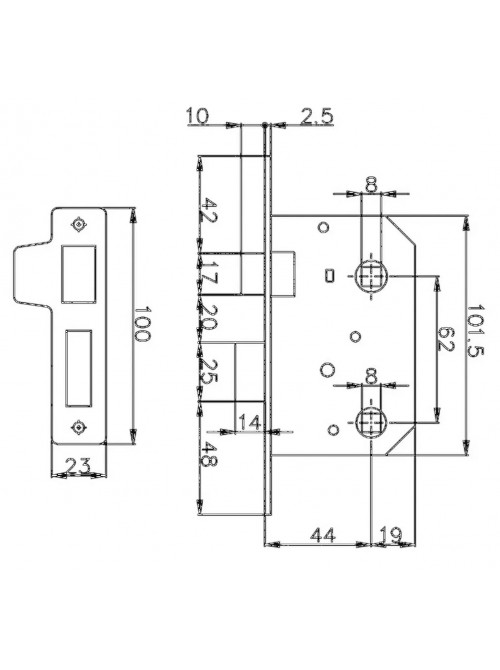
Двері не тільки зачинятимуться, але й замикатимуться, якщо в неї врізається міжкімнатний механізм CLASS 251WC CP. Він поєднує ригель і клямку, має зручні параметри конструкції, отримує допоміжні складники, які впливають на працездатність. Міжкімнатний механізм використовується спільно з ручками із заглушкою. Механізм Class 251 WC врізається в дверні полотна кімнат і санузловие приміщень і призначений для установки на дверні полотна в комплекті з ручками на планці з міжосьовим відстанню 62 мм.
Замок є дешевшим аналого турецького KALE 251 WC;
Розміри - 102 х 60,5 мм., торцева планка - 152 х 22 х 2,5 мм.
Механізм виготовлений зі сталі;
Якісне гальванічне покриття забезпечує зносостійкість в процесі експлуатації;
В комплектацію замку входять: зворотна планка і саморізи.
| Тип товару | Механізми для міжкімнатних дверей | 

 
                             
							